40 HP Rotary Cutter GearboxesPart
No. B82666 - 1:1.93 ratio
|
SPECIFICATIONS
|
 |
|
A = 160mm
(6.3") |
HOUSING:
SHAFTS:
GEARS:
SEALS:
BEARINGS:
OIL:
WEIGHT:
INPUT SHAFT: |
60-45-10
Nodular
UNS G51200
UNS G51200
Triple Lipped, Spring Loaded
Duplicate Lower Seals
Deep Groove Ball
EP-140, 26oz, 0.77l
48 lbs, 21.6 kg
1 3/8" x 6 spline |
|
|
SPARE
PARTS
|
|
REF
|
PART
No.
|
QTY |
DESCRIPTION
|
|
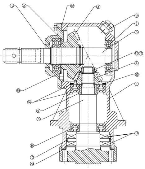
1
|
|
1 |
Housing |
|
2
|
|
1 |
Cap, Thru |
|
3
|
|
1 |
Gear, Input 29t |
|
4
|
|
1 |
Pinion, 15t |
|
5
|
|
1 |
Shaft, Input |
|
6
|
|
1 |
Shaft, Flanged Output |
|
7
|
|
1 |
Bearing, Ball |
|
8
|
|
3 |
Bearing, Ball |
|
9
|
|
1 |
Bushing |
|
10
|
|
1 |
Seal, Input |
|
11
|
|
2 |
Seal, Output |
|
12
|
|
1-A/R |
Gasket Input, 0.40mm |
|
13
|
|
1-A/R |
Spacer |
|
14
|
|
2-A/R |
Shim Output, 0.10mm |
|
15
|
|
1 |
Nut, Bearing M22 X 1.5 |
|
16
|
|
1 |
Washer, Tabbed M22 |
|
17
|
|
1 |
Plug, Pressure Relief,
1/4"-18NPT |
18 |
|
1 |
Retaining Ring, 80mm |
19 |
|
1 |
Retaining Ring, 80mm |
20 |
|
1 |
Seal Protector |
|
|
|