Home
Search
Dealer Login
75 HP Rotary Cutter Gearboxes
75 HP Gearboxes
Part No.
B86667
- 1:1.93 ratio
See Below
Part No.
B86667
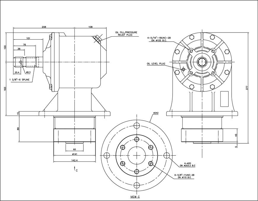
SPECIFICATIONS
A
= 170mm (6.7")
HOUSING:
SHAFTS:
GEARS:
SEALS:
BEARINGS:
OIL:
WEIGHT:
INPUT SHAFT:
60-45-10 Nodular
UNS G51200
UNS G51200
Triple Lipped
Spring Loaded
Duplicate Lower Seals
Tapered Roller
EP-140, 38oz, 1.12l
76 lbs, 34.5kg
1 3/8" x 6 spline
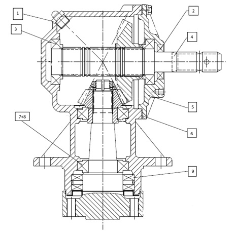
SPARE PARTS
REF
PART No.
QTY
DESCRIPTION
1
B7687
1
Breather Plug
2
B2955
1
Input Seal
3
B65
2
Cup and Cone input shaft
4
B6911
1
Input Shaft (1 3/8" x 6 splines)
5
B6918
1
Input Cap
6
B6675
use qty as req
Shim gasket
7
B91
2
Bearing Cone output shaft
8
B93
2
Bearing Cup output shaft
9
B8850
2
Output Seal