H/Duty Male / Male Cushion Coupling
H/D MALE /MALE CUSHION COUPLING
HEAVY DUTY BARE-Co PATENT MALE / MALE CUSHION COUPLINGS

B6502     Clockwise Rotation



  • Patented Heavy Duty Cushion Coupling providing limited predetermined rotational travel whilst carrying a MASSIVE
    5000 NM (3688 ft/lbs) of Torque
    .
  • Danish Super Valve Spring Quality drive springs combined with 1 piece heat treated Drive and Driven Plates provide ultimate reliability.
  • Designed for LARGE Multihead Cutters with Timed Blades which preclude the use of safety slip clutches.
  • Without the Bare-Co® Heavy Duty Cushion Coupling, these machines can suffer outer gearbox coupling & shaft failures due to the flywheel effect of associated cutter disks being combined with tractor PTO torque.
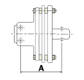
1 3/8" x 6 Spline Couplings
PART No.
Diameter
Overall Length
Dimension
Rotation
Description
"A"
"B"
8" dia (200mm)
8" (200mm)
 4.9" (125mm)  
NA
Anti-Clockwise
1 3/8" x 6 spline female - male
Clockwise
1 3/8" x 6 spline female - male
1 3/4" x 20 Spline Couplings
8" dia (200mm
8" (200mm)
5.9" (150mm)    
NA  
Anti-Clockwise
1 3/4" x 20 splines female - male
Clockwise
1 3/4" x 20 splines female - male
FEATURES
  • Replaces light duty rubber couplings
  • Radial springs absorb shocks with radial travel limited to 1/2 " (12mm) to suit timed shaft applications (Rotary cutters with overlapping timed blades)
MALE COUPLER - SPARE PARTS

REF. No.
PART No.
DESCRIPTION
1
Cotter Bolt - Fits 1 3/4" x 20 Spline couplings with Single Cotter Bolt.
Cotter Bolt - Fits 1 3/8" x 6 Spline couplings.
2
Base 1 3/8" x 6 Spline
Base 1 3/4" x 20 Spline
3
Spacing Collar
4
Outer Spider Plate
5

Drive Spring RED- 8 Required

Drive Spring GREEN- 8 Required

6
Inner Spider 1 3/8" x 6 Spline Male - Clockwise
Inner Spider 1 3/8" x 6 Spline Male - Anticlockwise
Inner Spider 1 3/4" x 20 Spline Male - Clockwise
Inner Spider 1 3/4" x 20 Spline Male - Anticlockwise
7
Bearing - fits 1 3/8" and 1 3/4" Spiders
8
Bearing Housing