 |
FEATURES:
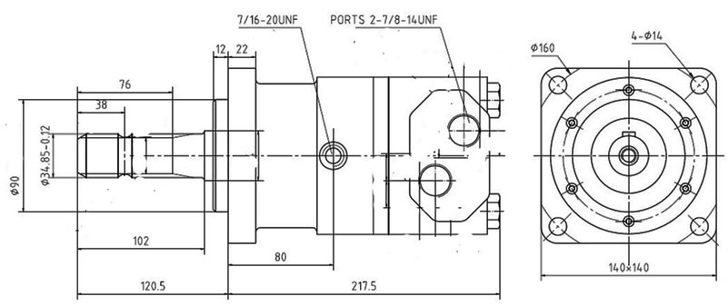
- Ports - 7/8" UN "O" Ring
- Roller type Gear
Stator
- Disc Valve linked to Roller Shaft via Drive Link
- Output shaft supported by tapered roller bearings.
- High pressure motor seals
- Cross port relief required for pressure spikes.
- These motors are suitable for continuous operation under rough operating conditions such as high operating pressures, thin oil, or frequent reverse cycling. The tapered roller bearings make the motors suitable for absorbing static and dynamic radial loads. The drive link and balanced disc valve minimise hydraulic and mechanical losses. This design produces motors with high efficiency, even at high pressures, and good starting chracteristics.
See PREVIOUS PAGE for motor with
LOWER maximum pressure and flow. |